粉末活性炭是粉末状的活性炭,粒度为10~50微米,常用于自来水的深度净化处理中。自来水厂用的粉末活性炭投加方式主要有干投和湿投两种方法。 干投即直接投加,将连活性炭续定量投加后由射流器投加至投加点。湿投即将粉末活性炭与水混合搅拌变成活性炭浆液后由计量···
活性炭主要的作用就是净化空气,净化水,所以在工业和生活当中应用都非常的广泛。而活性炭也是分很多原材料的,比如现在比较常见的以木屑和煤为原料制作的活性炭用途就很广泛,但是因为它们的原材料不同,所以从结构和性能上就有着很大的差别。原材料的区别木质活性炭的材质为木质,比如椰壳,果壳,杏壳,核桃壳,以及枣壳···
提金用活性炭的种类及基本性能: 黄金吸附活性炭,一般有粉状活性炭和粒状活性炭。炭浆法提金工艺的活性炭是粒状活性炭,由于吸附了金的载金炭是用筛子将其从矿浆中过滤出来的,因而对炭的粒度有一定的要求,以保障矿浆中活性炭的有效筛子等设备的有效使用。炭浆厂目前使用的活性炭的粒度多···
吸附VOCs后的废活性炭是不是危废?根据《国家危险废物名录》(2021版)中规定,如下三个大类,8种废活性炭可明确认定为危险废物:那么有的企业要问了:“我们不涉及上述三个大类的行业,在生产过程中产生的VOCs活性炭可不可以按一般固废的要求处置呢?”答案是:绝对不行。可见,其他行业的VOCs废活性炭属···
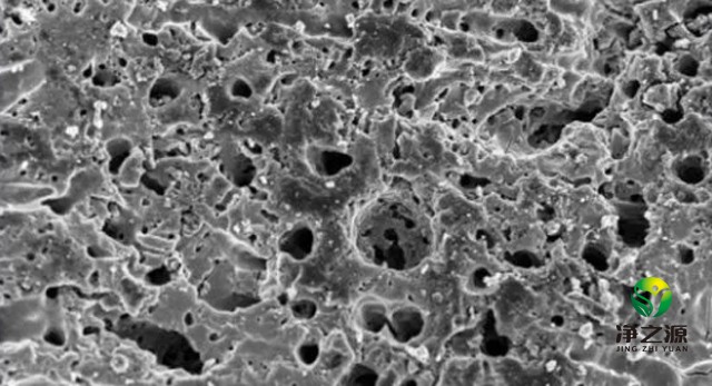
活性炭内部具有晶体结构和孔隙结构。活性炭是一种经特殊处理的炭,将有机原料(果壳、煤、木材等)在隔绝空气的条件下加热,以减少非碳成分(此过程称为炭化),然后与气体反应,表面被侵蚀,产生微孔发达的结构(此过程称为活化)。 由于活化的过程是一个微观过程,即大量的分子碳化物表面···